
型号:JLM-SB-2C
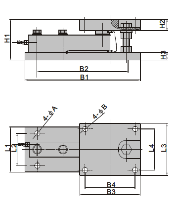
量程/尺寸 | L1 | L2 | L3 | L4 | B1 | B2 | B3 | B4 | H1 | H2 | H3 | A | B |
0.5,1,2,3T | 112 | 80 | 128 | 102 | 286 | 225 | 150 | 124 | 101 | 28 | 19 | 13 | 13 |
5,8T | 152 | 100 | 152 | 120 | 317 | 225 | 178 | 146 | 128 | 29 | 28 | 18 | 18 |
10T | 154 | 105 | 154 | 120 | 360 | 225 | 178 | 146 | 198 | 38 | 38 | 22 | 18 |

量程/尺寸 | L1 | L2 | L3 | L4 | B1 | B2 | B3 | B4 | H1 | H2 | H3 | A | B |
0.5,1,2,3T | 112 | 80 | 128 | 102 | 286 | 225 | 150 | 124 | 101 | 28 | 19 | 13 | 13 |
5,8T | 152 | 100 | 152 | 120 | 317 | 225 | 178 | 146 | 128 | 29 | 28 | 18 | 18 |
10T | 154 | 105 | 154 | 120 | 360 | 225 | 178 | 146 | 198 | 38 | 38 | 22 | 18 |